h-parameter Model for Transistor Configurations

  • Draw the h-parameter model for the common-emitter configuration shown in figure below?

    Common-emitter configuration

    Figure below shows the h-parameter equivalent model for the common-emitter configuration.

    h-parameter Model for Transistor Configurations

    A second subscript has been added to the nomenclature of the h-parameters so as to distinguish between the h-parameters of the three transistor configurations. The h-parameter equations for the common-emitter configuration are given by the following two equations

    Where,
    Parameter h11 is denoted as hie and is referred to as the input impedance of the transistor in the common-emitter configuration
    Parameter h21 is denoted as hfe and stands for forward current transfer ratio
    Parameter h12 is denoted as hre and is referred to as the reverse voltage transfer ratio
    Parameter h22 is denoted as hoe and it means the output admittance for the common-emitter configuration Current Ii is the base current Ib
    Current Io is the collector current Ic
    Voltage Vi is the voltage Vbe
    Voltage Vo is the voltage Vce.
    The values of the h-parameters are given by the following equations.

    The symbol ∆ refers to a small variation around the quiescent point of operation, that is, the h-parameters are determined in the region of operation for the applied signal.

  • Draw the simplified equivalent h-parameter model for the common-emitter transistor?

    The effect of the parameter hre is so small on the transistor amplifier that it can be neglected. Therefore, hre is assumed to be zero. Hence, the magnitude of the voltage source hreVce is also equal to zero. In other words, it results in short-circuit equivalent for the feedback element. Figure below shows the simplified equivalent model for the common-emitter transistor configuration.

    Simplified equivalent h-parameter model for the common-emitter transistor

    In cases where the value of 1/hoe is very large as compared to the value of load resistance, it is assumed to be open in comparison with the parallel load to be connected across the output terminals.

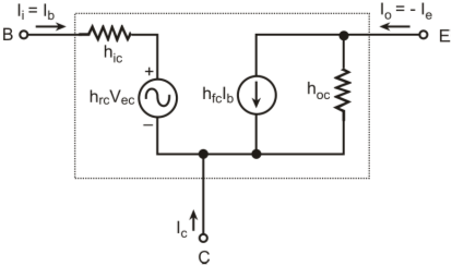
  • Draw the h-parameter model for the common-collector configuration shown in figure below?

    Common-collector configuration

    Figure below shows the h-parameter equivalent model for the common-collector configuration

    h-parameter equivalent model for the common-collector configuration

    The parameter hic is referred to as the input impedance of the transistor in the common-collector configuration. Parameter hfc stands for forward current transfer ratio and parameter hrc is referred to as the reverse voltage transfer ratio. Parameter hoc is the output admittance in the common-collector configuration. The h-parameters for the common-collector configuration can be determined in a similar fashion as that for the common-emitter configuration.

  • Draw the simplified equivalent h-parameter model for the common-collector transistor?

    Figure below shows the simplified equivalent model for the common-collector transistor configuration.

    Simplified h-parameter equivalent model for the common collector configuration

  • Draw the h-parameter model for the common-base configuration shown in figure below?

    Z

    Figure below shows the h-parameter equivalent model for the common-base configuration.

    h-parameter equivalent model for the common-base configuration

    hib is the input impedance parameter, hfb is the forward current transfer ratio, hrb is the reverse voltage transfer ratio and hob is the output admittance parameter.

  • Draw the simplified equivalent h-parameter model for the common-base transistor?

    Figure below shows the simplified equivalent model for the common-base transistor configuration.

    Simplified h-parameter equivalent model for the common-base transistor configuration

  • Give formulae for conversion of h-parameters for the three transistor configurations?

    Table below lists the approximate conversion formulae for the conversion of h-parameters in the three transistor configurations.

    Approximate conversion formulae for the h-parameters

  • Give the typical values of h-parameters for the three transistor configurations?

    Table below lists the typical values of h-parameters in the three transistor configurations.

    Typical values of h-parameters for the three transistor configurations

Got a voltage spike of curiosity?

Send your doubts now!