Class C Amplifiers

  • What are class C amplifiers?

    Class C amplifiers conduct for less than 50% of the input signal. The active device in case of class C amplifiers is so biased that it conducts for less than one half of the input cycle, that is, it operates for less than 180o of the input cycle (refer to figure below).

    Input and output waveforms of class C amplifiers

  • What are the advantages and disadvantages of class C amplifiers?

    Class C amplifiers have high efficiency upto 90%. However, they are associated with a very high level of distortion at the output.

  • Name the two operational modes of class C amplifiers?

    Class C amplifiers operate in the following two modes.
    • Untuned mode class C amplifier
    • Tuned mode class C amplifier
    Class C amplifiers are mostly they are operated in the tuned mode.

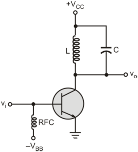
  • Draw the circuit diagram of a tuned class C amplifier?

    Figure below shows a tuned class C amplifier configuration. The tuned circuit provides a full cycle of the output signal at the fundamental or the resonant frequency of the tuned circuit. Hence, the unwanted frequencies are drastically suppressed. Other residual harmonics can be removed by using a filter.

    Tuned class C amplifier

  • Why are class C amplifiers not used for audio amplifiers?

    In class C amplifiers only a small portion of the input cycle is passed through the amplifier. This distorts the input signal and hence class C amplifiers are not used for audio applications.

  • List the typical applications of class C amplifiers?

    Class C amplifiers are generally used as RF and IR amplifiers in RF transmitters and are primarily not intended for use as large signal or power amplifiers.

  • In which applications are class C, class D, class E and class F amplifiers used?

    In applications where linearity is not the main issue and efficiency is of primary concern, class C, class D, class E and class F amplifiers are used.

Got a voltage spike of curiosity?

Send your doubts now!